工頻耐壓試驗裝置的原理圖
發布時間:2019-07-18
瀏覽數:472
工頻耐壓試驗裝置有交流和交直流兩種,下面國電中星為大家分別介紹工頻交流耐壓試驗裝置和工頻交直流耐壓試驗裝置。

用工頻220V(10kVA以上為380V)電源接入操作箱(臺)經操作箱內自耦調壓器(50kVA以上調壓器外附)調節至0-200V(或0-400V)電壓輸出至10kVA/100kV工頻交流耐壓試驗裝置的初級繞組,根據電磁感應原理,在試驗變壓器高壓繞組可獲得所需的高電壓。
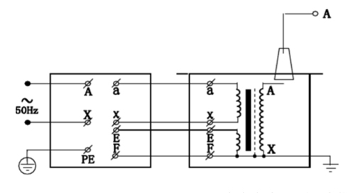
1、單臺工頻耐壓試驗裝置的工作原理

2、單臺工頻交直流試驗裝置的工作原理圖

圖中高壓套管中裝有高壓硅堆,串接在高壓回路中作半波整流,以獲得直流高電壓。當用一段路桿將高壓硅堆短接時,可獲得工頻高電壓,作為交流輸出狀態;取消短路桿時,作為直流輸出狀態。
國電中星是工頻耐壓試驗裝置廠家,規格齊全,質量優良,廣受好評,歡迎選購!
上一篇:工頻耐壓試驗裝置的產品結構
027-65526006
027-65526007
在線客服