淺析標準電流互感器的應用領域
淺析標準電流互感器的應用領域
武漢國電中星自主研發的 ZXHL系列標準電流互感器是用來檢定比其低兩級或兩級以下準確等級的電流,它是由一次繞組和二次繞組組成,接線時嚴格參照接線牌所給出的電流比進行接線。L1與K1分別是一次、二次繞組的極性端,當需要穿心時La為極性端。

一、標準電流互感器針對于交流電流的測量
設備是否運行在額定電流值,設置電流測量裝置是必要的技術措施。有關規定 40KW 以上的設備,必須裝設電流表進行監控。 交流電流的測量有直接測量和經電流互感器擴大測量的方式。 直接測量就是將適當的電 流表串接電流回路上。而下圖所示電路均為經電流互感器接入式測量。

1、采用一臺電流互感器 電流互感器測量三相平衡線路中的電流,如圖1。電流互感器選擇的是以電流表量程依據,而電流表的量程則是根據負載電流的實際值 應占電流表總量程的 2/3 至滿度值之間。比如一臺設備額定電流為 100A,則選擇滿度值為 150A 的電流表。此時電流互感器的互感比則應選 150/,電流表也相應選比值為 150/ 的電流表。讀數時則以表指 電流表也相應選比值為讀數時則以表指示值直讀。
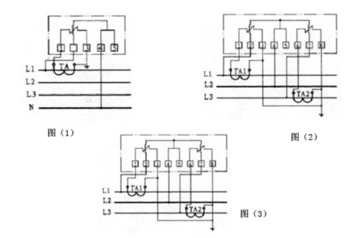
2、采用二臺電流互感器,接成不*星形,用以測量三相平衡或不平衡線路中的三相電流,如圖2。
3、采用三臺電流互感器 接成*星形接法,用以測量三相平衡或不平衡線路中的三相電流,如圖3。
二、標準電流互感器針對于交流電度的測量
為了擴大交流電度表的量程,工廠常用的是采用電流互感器的方法來擴大量程。

圖(1)是采用單相電度表加電流互感器的測量方法。可用于測量三相平衡或單相電度計量。
圖(2)是采用二元件三相三線有功電度表,加二個電流互感器的測量方法。可用于測量三相平衡或不平衡線路中的電度計量。
圖(3)是采用三相四線有功電度表,加三個電流互感器的測量方法。可測量三相 平衡或不平衡線路中的電度計量。
三、標準電流互感器針對于電力拖動線路中的保護
電力拖動線路中的保護、大功率電動機中的過載保護,往往由于電流大,而無法購到相應的熱繼電器,在這樣的 情況下,一般采用加裝電流互感器 電流互感器的方法來解決。其實質是將大電流變換成小電流用 以內的熱繼電器足可滿足過載保護的要求。

圖a:電流互感器用于大功率自耦降壓啟動,電動機中的過載保護。
圖b:電流互感器用于大功率頻敏變阻器啟動,電動機中的過載保護。
圖c:電流互感器用于大功率星-角降壓啟動,電動機中的過載保護。
國電中星致客戶:
感謝您關注我們的產品,我司除了有此產品介紹以外,還有真空度測試儀,SF6微水測試儀,真空開關動特性測試儀,斷路器動特性測試儀,高壓開關動特性測試儀,串聯諧振耐壓試驗裝置,高低壓開關柜通電試驗臺,繼電保護測試儀,三倍頻發生器,三倍頻感應耐壓裝置,超低頻耐壓試驗裝置,0.1HZ超低頻高壓發生器,硅橡膠高壓線,真空檢測儀,CT伏安特性測試儀,變壓器變比測試儀,雜散電流測試儀,高壓測試儀,介質損耗測試儀等等,您如果對我們的產品有興趣,請咨詢4000-828-027,我們將為您提供優質方案與報價。
上一篇:漏電保護器測試儀的設計
下一篇:變壓器局部放電檢測儀應用領域
027-65526006
027-65526007
在線客服